» Home » What we do » PFC function power supply » RSP-750
RSP-750
Universal AC input / Full range
Built-in active PFC function
High efficiency up to 92%
Forced air cooling by built-in DC fan
Output voltage and constant current level programmable
Built-in remote ON-OFF control / remote sense /
auxiliary power / DC OK signal
Protections: Short circuit / Overload / Over voltage/ Over temperature
Optional conformal coating
2 years warranty
Product Detail
|
MODEL |
RSP-750-5 |
RSP-750-12 |
RSP-750-15 |
RSP-750-24 |
RSP-750-27 |
RSP-750-48 |
|
OUTPUT |
|
|
|
|
|
|
|
DC VOLTAGE |
5V | 12V | 15V | 24V | 27V | 48V |
|
RATED CURRENT |
100A |
62.5A |
50A |
31.3A |
27.8A |
15.7A |
|
CURRENT RANGE |
0-100A | 0-62.5A | 0-50A | 0-31.3A | 0-27.8A | 0-15.7A |
|
RATED POWER |
500W |
750W | 750W |
751.2W |
750.6W |
753.6W |
|
RIPPLE & NOISE (max.) |
150mVp-p |
150mVp-p |
150mVp-p |
150mVp-p |
150mVp-p |
150mVp-p |
|
VOLTAGE ADJ. RANGE |
4.75~5.5V |
10~13.5V |
10~13.5V |
20~26.4V |
24~30V |
43~55V |
|
VOLTAGE TOLERANCE |
±2.0% |
±1.0% |
±1.0% |
±1.0% |
±1.0% |
±1.0% |
|
LINE REGULATION |
±0.5% |
±0.5% |
±0.5% |
±0.5% |
±0.5% |
±0.5% |
|
LOAD REGULATION |
±2.0% |
±0.5% |
±0.5% |
±0.5% |
±0.5% |
±0.5% |
|
SETUP, RISE TIME |
1000ms, 50ms at full load |
|||||
|
HOLD UP TIME |
16ms/230VAC 16ms/115VAC at full load |
|||||
| INPUT |
90~264VAC 127~370VDC |
|||||
|
VOLTAGE RANGE |
47~63Hz |
|||||
|
POWER FACTOR |
0.97/230VAC 0.98/115VAC at full load |
|||||
|
EFFICIENCY |
82% |
87% | 89% |
90.5% |
90.5% |
92% |
|
AC CURREN |
5V:5.6A/115VAC 2.8A/230VAC 12V~48V:8.2A/115VAC 3.9A/230VAC |
|||||
|
INRUSH CURRENT |
25A/115VAC 40A/230VAC |
|||||
|
LEAKAGE CURRENT |
<2.0mA/240VAC |
|||||
|
PROTECTION |
|
|||||
|
OVERLOAD |
105~125% rated output power |
|||||
|
Protection type: Constant current limiting, recovers automatically after fault condition is removed |
||||||
|
OVER VOLTAGE |
5.75~6.75V |
13.8~16.8V |
17~20.5V |
27.6~32.4V |
31~36.5V |
56.6~66.2V |
|
Protection type: Shut down o/p voltage, re-power on to recover |
||||||
|
OVER TEMPERATURE |
Shut down o/p voltage, recovers automatically after temperature goes down |
|||||
|
FUNCTION |
|
|||||
|
OUTPUT VOLTAGE PROGRAMMABLE |
Adjustment of output voltage is allowable to 40~110% of nominal output voltage. Please refer to the Function Manual. |
|||||
|
CONSTANT CURRENT LEVEL PROGRAMMABLE |
Adjustment of constant current level is allowable to 40~110% of rated current. Please refer to the Function Manual. |
|||||
|
AUXILIARY POWER |
12V @ 0.1A; tolerance: ±10% |
|||||
|
REMOTE ON-OFF CONTROL |
Power on: short between Remote ON-OFF(pin13) & 12V-AUX(pin14) on CN50 Power off: open between Remote ON-OFF(pin13) & 12-AUX(pin14) on CN50 |
|||||
|
DC OK SIGNAL |
The TTL signal out, power supply turn on = 0~1V; power supply turn off = 3.3~5.6V |
|||||
|
ENVIRONMENT |
|
|||||
|
WORKING TEMP |
-30~+70°C (Refer to "Derating Curve") |
|||||
|
WORKING HUMIDITY |
20~90% RH non-condensing |
|||||
|
STORAGE TEMP. HUMIDITY |
-40~+85°C, 10~95% RH non-condensing | |||||
|
TEMP. COEFFICIENT |
±0.03%/°C (0~50°C) |
|||||
|
VIBRATION |
10~500Hz, 2G 10min./cycle, 60min. each along X, Y, Z axes |
|||||
|
SAFETY |
|
|||||
|
SAFETY STANDARDS |
UL62368-1, CSA C22.2 No. 62368-1, TUV EN62368-1, CCC GB4943.1, BSMI CNS14336-1, AS/NZ62368.1, EACT TPC 004 approved |
|||||
|
WITHSTAND VOLTAG |
UP-O/P:3KVAC IIP-FG:2KVAC OIP-FG:0.5KVAC |
|||||
|
ISOLATION RESISTANCE |
UP-O/P, UP-FG, OIP-FG:100M Ohms /500VDC /25°C/70% RH |
|||||
| OTHER |
|
|||||
|
MTBF |
336.9K hrs min. Telcordia SR-332 (Bellecore); 109.1K hrs min. MIL-HDBK-217F (25°C) |
|||||
|
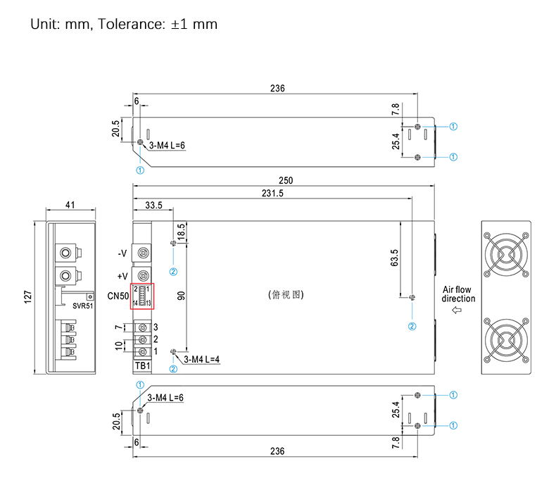
DIMENSION |
250*127*41mm (L*W*H) |
|||||
|
PACKING |
1.64Kg; 6pcs/10.8Kg/1.1CUFT |
|||||

Online Inquiry


-134213.jpg)





-125621-170631.jpg)


